產品分類
新聞資訊
超級螺栓——到底牛在哪里?多級頂推聯接緊固器,又名超級螺栓,不需要特殊裝置或專用工具就能實現大型工件的預緊并且能可靠地防止其松動。
一般來說,要想緊固好直徑大于1英寸的螺栓需要使用力矩放大器。傳統的緊固方法包括錘擊、加熱、液壓扳手、液壓拉伸器等。這些方法不但存在精度差、耗費時間、設備昂貴、安全隱患,而且經常出現螺紋咬死(金屬粘連)現象。
傳統緊固方法由于精度難于控制、誤差大,經常導致螺栓預緊力過高,由此產生的螺紋咬死(金屬粘連)是常見現象。通過觀察可以發現,螺紋粘連的區域基本上發生在螺母下部兩三牙,這是由于預緊力過高而導致了應力集中。
而應力釋放功能是多頂推張緊器的另一大特性,頂推螺栓與主螺栓產生的力相互作用,產生了彎曲力矩,在多頂推張緊器上,彎曲力矩呈現為圓周形,由此在多頂推張緊器上產生的應力為圓周應力。圓周應力使得超級螺栓底部直徑增大,而上部直徑縮小。這種伸縮運動起到釋放應力集中、提高靜態負載、防止出現螺紋咬死(金屬粘連)的作用。
多級頂推聯接緊固器,不需要特殊裝置或專用工具就能將大型工件預緊并能可靠防止其松動。
一、構成及防松原理
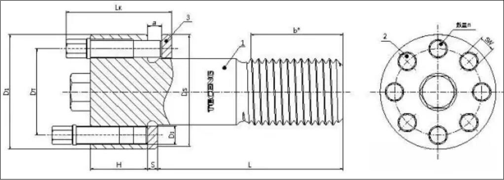
超級螺栓多頂推預緊器(MJTs)可直接替代六角螺母、蓋螺母和螺栓等。他們旋合在已有螺栓或螺柱之上,并提供一個更好的方法來緊固連接件。多級頂推聯接緊固器是由硬化墊圈、螺母主體和頂推螺釘組成。

1.頂推螺釘 2.螺母主體 3.硬質墊圈4.被連接工件 5.頂推螺栓主體

超級墊片套在螺柱或螺栓上,防松自鎖螺母由其螺孔旋在螺柱或螺栓上;圓柱形雙頭螺栓,其中間制成圓柱形,兩頭制成螺紋。其一頭螺紋上分別裝有超級墊片和防松自鎖螺母,超級墊片裝在內側,防松自鎖螺母裝在外側。在其圓柱形表面,沿徑向等角度鉆有多個盲孔,在其底部制有1.5°的特殊錐面結構,在圓柱形雙頭螺栓的另一頭螺紋上分別裝有超級墊片和多級頂推螺套,超級墊片裝在內側,多級頂推螺套裝在外側,其上面裝有多級頂推螺栓,多級頂推螺栓的一端與超級墊片相接觸。
二、為什么要采用多級頂推螺栓——長期存在防松問題
各種機械傳動設備以及設備安裝廣泛采用各種型式的螺栓聯接。通過對國內外新型螺栓的聯接技術進行廣泛的調研,對傳統鉸制孔螺栓、液壓螺栓進行比較發現:
1、傳統鉸制孔螺栓具有加工困難,勞動強度大,加工精度低,裝配質量降低,安裝和拆卸困難,互換性差等缺點;
2、液壓螺栓存在需要配置專門工裝,外形尺寸大,安裝和拆卸空間要求大,加工要求高,加工工藝復雜等缺點。
許多聯接部位空間狹小,設備布置緊湊,還必須采用緊配螺栓,其加工、安裝和拆卸十分困難,直接影響機械設備安裝質量和正常維修。在機械設備的拆卸過程中,容易發生聯接螺栓在螺孔中鎖死現象,不得不用徹底破壞方法將緊配螺栓加工掉。
許多大型設備的緊配螺栓直徑較大,在拆卸時會導致螺孔拉毛,需要重新鉸制螺栓孔并研配螺栓,緊配螺栓的互換性差,造成大量人力和物力的浪費。
還有很多實際工程中發生了安裝空間狹小,安裝和拆卸緊配螺栓成為一個比較棘手的問題。
三、防松優勢
超級螺栓多頂推預緊器在大直徑螺栓緊固時可以提供高的預緊力,通過頂推螺釘擰入螺母主體的方法,將高的預緊力分解為可以控制的安裝扭矩來實現。與六角螺母相比,超級螺栓很容易安裝,即使在很大的尺寸。
多頂推預緊器(MJTs)與其他常見緊固方法相比有許多好處。快速、安全、易于安裝。
a.預緊力精確:
預緊力過大會導致緊配螺柱或螺栓損壞,預緊力接近或小于承受負載時,緊配螺柱或螺栓會出現松動。因此,準確設定緊配螺柱或螺栓預緊力十分重要。多級頂推聯接緊固器的頂推螺栓的尺寸和數量同預緊力成正比,也就是說設定多級頂推聯接緊固器的預緊力,同頂推螺栓的扭矩有直接的關系,調節頂推螺栓可提高預緊力精確,多級頂推聯接緊固器預緊力精度可達90%~95%,比任何傳統緊固方法預緊力精度都準確得多。可實現聯接件的精確對中,可彌補聯接緊固器與聯接件的接觸面到聯接孔中心線垂直度的微小偏差。
b.張力均勻:
多級頂推聯接緊固器的張力變化很小(±5%),通過使用多級頂推聯接緊固器的頂推螺栓使法蘭接合處保持均勻的壓力,防止偏轉。它們與聯接孔結合均勻,防止緊配螺柱或螺栓受力不均,提高聯接件可靠性。
c.彈力豐富:
采用錐形的彈性套。多級頂推聯接緊固器可使聯接系統的彈性增加2個螺栓直徑的當量,對于一般聯接系統,相當于彈性增加50%~100%。由于蠕變在一定的溫度下以均勻的速度出現,彈性增大將大大延長高溫連接的緊配螺柱或螺栓的使用壽命。由于多級頂推聯接緊固器的彈性套具有較好彈性,能在一定膨脹范圍內使用,互換性好,并且對孔的加工要求不高,可以減輕孔加工強度。由于彈性套具有高彈性,經多次使用后仍能彈回來原來尺寸,拆裝中避免了傳統鉸制螺栓或螺栓孔拉傷的現象,所以多級頂推聯接緊固器可重復使用。
d.容易安裝、拆卸:
采用錐形的彈性套。設備安裝所需空間較小,這對潛艇條件下的安裝使用顯得更為重要。傳統螺栓安裝時,要用大錘打進,需要相當長的操作空間,多級頂推聯接緊固器只須預留錐形螺柱7(錐形螺栓)長度,便可以安裝。拆卸時只需要松開小端頂推螺栓,錐形螺柱7在大端拉力作用下自動松開,彈性套在自身彈力下徑向收縮,拆卸十分方便。
e.應力釋放:
多級頂推聯接緊固器工作時,頂推螺栓和緊配螺柱或螺栓之間產生的相對作用力形成圓周應力。
在圓周應力的作用下,多級頂推聯接緊固器底部直徑擴大,上部直徑縮小。因此,應力均勻地釋放在整個有效螺紋上,避免了應力集中,增強了承載能力。
f.操作簡便、省時省力經濟安全:
安裝、拆卸多級頂推聯接緊固器時只需一把手動扭矩扳手,一個人只需幾分鐘就能完成安裝或拆卸工作量。比普通螺栓可節省60%以上的安裝時間,操作十分安全,不再需要使用液壓扳手,液壓拉伸器、加熱棒等專用工具,并可反復多次使用,經濟性好。
四、使用中應該注意的事項
當使用超級螺栓張緊器時,在各種領域對潛在的應用場景需要重點考慮的事項。
墊圈放置在螺紋的中心
確保墊圈不放置在底切的邊緣或者配合螺栓的半徑范圍。

大孔/長孔
一個額外的墊圈或一個大的墊圈是必要的,以傳遞螺栓負載到支撐面。

材料強度低
當連接件的材料強度較低時,需要用一個厚的,更大的墊圈或附加墊圈。

螺釘盡頭的張緊器
一個額外的間隔墊圈可能是需要的,使得張緊器可以接近螺釘尾部。

空間需求
檢查扳手套筒所需空間。

很長的全螺紋螺桿
一個有一大圈頂推螺釘的張緊器,正確地通過頂推螺釘來擰緊是必須的。



